本号拟对SEMA规范(Code of Practice for the Design of Adjustable Pallet Racking)做一些简单的介绍,不定期推出系列文章简述货架18luck 内容,以飨读者。本篇为第五篇。
横梁与立柱连接区域范围内的所有组件构成了梁柱节点。对于货架结构,梁柱节点的主要组件为挂片,还包括节点范围内的部分立柱与横梁、螺栓或插销。
梁柱节点的性能对货架结构与构件的设计都有重要的影响。梁柱节点的性能参数包括初始松动、弯曲承载力、弯曲刚度、剪切承载力、安全插销抗剪承载力。
初始松动
梁柱节点的初始松动意味着横梁与立柱之间的角度,在安装后是可以随意转动的,转动幅度即为初始松动的大小。初始松动会在货架初始安装倾斜的基础上进一步增加倾斜,因此需要在结构设计中予以考虑。规范给出了初始松动的测试方法,装置示意图如下所示,规范给出的数据处理方法不予赘述。
弯曲承载力与弯曲刚度
梁柱节点的弯曲承载力与弯曲刚度,对结构(尤其是没有垂直拉杆的结构)的侧向稳定性有重要影响,同时对横梁的设计有影响。由于货架的梁、柱与挂片样式多种多样,理论计算困难,规范规定通过测试获得梁柱节点的弯矩-转角曲线,然后经过处理得到相应的承载力与刚度参数。
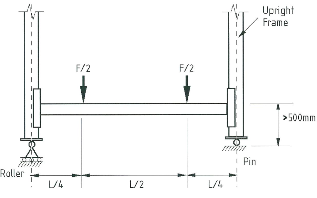
剪切承载力与安全插销剪切承载力
梁柱节点除了受到弯矩外,还受到剪力作用,抗剪承载力同样也是通过测试确定。另外为了防止横梁端部挂片挂齿从立柱孔中脱出,应设置安全插销,安全插销应能抵抗5kN的剪力。规范给出的两个参数的测试装置相同,如下。
对于正常使用极限状态,横梁跨中相对于两端的挠度不应超过跨度的1/200(有特殊需求时按照实际取值),横梁截面绕横梁纵轴的转动不应超过0.1弧度。对于承载力极限状态,横梁的弯曲承载力应能满足设计荷载的需求。
7.1 侧向稳定的横梁
如果横梁截面是闭口的,或者受弯时截面没有非加劲板件受压,那么可以认为横梁侧向是稳定的。典型示例如下图所示,横梁绕y-y轴弯曲,且截面上部受压,下部受拉。
弯曲承载力与挠度
考虑梁柱节点弯曲刚度的影响,一根横梁的弯曲承载力Wult为下列两式计算的较小值:
其中,Mc为考虑有效面积(受压薄壁构件必须考虑)的横梁截面弯矩承载力;Mconn为梁柱节点的弯曲承载力;Kb为梁柱节点弯曲刚度;L或Lb为横梁跨度,Ib为横梁截面惯性矩;Ke为考虑立柱弯曲刚度的修正梁柱节点弯曲刚度,按下式计算:
其中,Ic为立柱截面惯性矩,h为横梁间距。
考虑梁柱节点弯曲刚度的影响,一根承载为W的横梁最大挠度为:
腹板剪切
按照合理的弹性分析方法计算的腹板最大剪应力,不应超过0.7py,py为钢材设计强度。
腹板平均剪应力不应超过剪切屈服强度pv,亦不能超过剪切屈曲强度qcr:
其中,D为腹板高度,t为腹板厚度。
腹板压屈
在距离横梁端部1.5倍横梁腹板高度的位置,有一个集中荷载作用时,每个腹板的压屈承载力Pw为:
其中,N为承压长度,单位mm;D为腹板高度,单位mm;r为内经,单位mm;t为腹板厚度,单位mm;k=py/228。
弯曲与剪切组合
对于同时承受弯曲与剪切的横梁腹板,应满足下式:
其中,Fv为剪力,Pv为剪切承载力;M为Fv作用点对应的弯矩,Mc同前。
弯曲与腹板压屈组合
承受集中荷载的横梁,腹板同时弯曲与压屈,应满足下式:
其中,Fw为集中荷载,Pw为腹板压屈承载力。
7.2 侧向扭转屈曲的横梁
对于容易发生侧向扭转屈曲的横梁,比如卷边槽钢截面横梁绕对称轴弯曲,应参考BS 5950:Part5的相关条文计算,或者通过测试进行设计。规范给出了进行横梁弯曲承载力的测试方法。
稳图提供自动化立体仓库高层货架、库架一体货架以及各种平库货架(包括且不限于横梁式、穿梭车式、悬臂式、后推式、重力式、阁楼式与钢平台等)的结构设计、施工质量检测与使用维护检测等一系列专业技术新利188。期待与您交流。
本站的原创文章,请转载时务必注明出处:稳图WESAFE,不尊重原创的行为我们将追究责任。